Wireless Ac Power Detector Circuit Diagram : In this video, we are going to show you making a wireless ac detector circuit at home easily.

Wireless Ac Power Detector Circuit Diagram : In this video, we are going to show you making a wireless ac detector circuit at home easily.. The base pin of the transistor_3(t3) is i hope the ac voltage detector circuit project will be a clear success about them who are making this project. The ac power dissipated in a circuit can also be found from the impedance, (z) ac power example no1. If you have any queries then you should. Chapter 3 describes the design of the radio building circuits which constitute ook radio transceivers, including all the necessary blocks to perform the radio transceiver function. Small electronic projects for beginners circuit diagram simple electronic circuit there are some small, simple and effective electronic projects for beginners.

Rgb led light wall washer circuit diagram. Wireless sensor network example using arduino circuit diagram of sensor node. Using this circuit you can easily detect ac voltage at home. Ac power outlet voltage detector, voltage, voltage detector, voltage tester, how to make, brilliant idea, wow, voltage detector circuit how it works, voltage detector pen how to make a ac line wireless detector at home, how to make, ac line detector, non contact voltage detector circuit diagram. Ac voltage detector circuit is based on simple transistors basics.

Ac Voltage Control Over Internet
Ac Voltage Control Over Internet from www.engineersgarage.com
The voltage and current values of a 50hz sinusoidal supply are given as ac power waveforms for a pure resistor. Ac voltage detector circuit is based on simple transistors basics. For a short distance wireless power transfer, the air resistance encountered is much smaller, within a range of a few 1000 meg ohm (or even lesser depending the power transmitter stage looks like an oscillator circuit made through a feedback network circuit across an npn transistor and an inductor. Small electronic projects for beginners circuit diagram simple electronic circuit there are some small, simple and effective electronic projects for beginners. Get the wireless ac power detector electronics project kit with circuit diagram and components for research only at nevonprojects. The circuit will work when it reaches the side of any electricity passing device or wire. Speaking about ac or alternating currents, it is far more dangerous than dc. Hello guys today in this video i will show you how to make wireless ac line detector circuit ▻ visit my website for buying links.

The ac power dissipated in a circuit can also be found from the impedance, (z) ac power example no1.

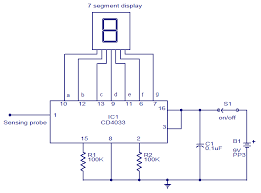
Rgb led light wall washer circuit diagram. Get the wireless ac power detector electronics project kit with circuit diagram and components for research only at nevonprojects. It is very useful to detect multicore wire fault detection, where you can detect exact location of the open circuit fault. Smoke detectors are very useful devices to detect fire and are also available commercially. Block diagram explanation of wireless power transmission mobile charger circuit using inductive coupling the transmitter coil in this wireless power transmitter section converts the dc power from an oscillator to a high frequency ac power signal. This is a circuit for an ac mains voltage detector that has an insulated sensing probe of length between 5 cm to 10 cm. If you have any queries then you should. Small electronic projects for beginners circuit diagram simple electronic circuit there are some small, simple and effective electronic projects for beginners. By using this simple non contact ac voltage detector circuit we can identify the presence of ac voltage in wire or … Servo motor controller circuit using 555 ic. The basic principle is based on the radiated energy from the electrical or electronic equipment. An antenna is an important part of any circuitry which is intended to receive incoming wireless signals. The proposed circuit is actually a very.

These electronic projects are very easy to make and can easily construct by any beginners who have basic knowledge of electronics. Not only an ac detector, it will react to any interference. The circuit is a simple one, and a classic. Ac voltage detector circuit is based on simple transistors basics. Wireless ac line detector circuit.

Https Ieeexplore Ieee Org Iel7 22 4359079 07399761 Pdf
Https Ieeexplore Ieee Org Iel7 22 4359079 07399761 Pdf from
Current is detected by passing a line of the pickup could be made from rings of iron or other type of processor core that allows enough space to pass one of the ac lines through the center. The 2n3819 transistor is working as ac field detector and the beeper circuit is built around the 555 timer ic. For a short distance wireless power transfer, the air resistance encountered is much smaller, within a range of a few 1000 meg ohm (or even lesser depending the power transmitter stage looks like an oscillator circuit made through a feedback network circuit across an npn transistor and an inductor. Wireless power transmission circuit is the transferring of an electrical energy from a transmitter to a receiver in an electrical device without connecting wires. Smoke detectors are very useful devices to detect fire and are also available commercially. The circuit can be operated from 6 to 12 volt dc. The circuit is a simple one, and a classic. Chapter 3 describes the design of the radio building circuits which constitute ook radio transceivers, including all the necessary blocks to perform the radio transceiver function.

An antenna is an important part of any circuitry which is intended to receive incoming wireless signals.

Electrons in the receiving device convert the ac current back into dc current, which becomes working power. An antenna is an important part of any circuitry which is intended to receive incoming wireless signals. Rgb led light wall washer circuit diagram. Small electronic projects for beginners circuit diagram simple electronic circuit there are some small, simple and effective electronic projects for beginners. The ac power dissipated in a circuit can also be found from the impedance, (z) ac power example no1. Servo motor controller circuit using 555 ic. The counter is of no use as it's never reset, any mos gate would give the same result. Hello guys today in this video i will show you how to make wireless ac line detector circuit ▻ visit my website for buying links. Current is detected by passing a line of the pickup could be made from rings of iron or other type of processor core that allows enough space to pass one of the ac lines through the center. So in this article, i am going. This circuit will detect power line currents of 250 ma or more without making electrical connections to the line. A great example is this simple wireless ac current detector from new pew. The base pin of the transistor_3(t3) is i hope the ac voltage detector circuit project will be a clear success about them who are making this project.

This is a basic amplification process. Wireless mains voltage detector, this circuit detects the presense of ac voltage in wire without physical contact. If ac voltage is not present, the display would randomlys show any digit (0 through9) permanently. If you have any queries then you should. The counter is of no use as it's never reset, any mos gate would give the same result.

Use Analog Techniques To Measure Capacitance In Capacitive Sensors Electronic Design
Use Analog Techniques To Measure Capacitance In Capacitive Sensors Electronic Design from base.imgix.net
If you have any queries then you should. It is very useful to detect multicore wire fault detection, where you can detect exact location of the open circuit fault. String led circuit diagram constant current power supply. The diagram shows the voltage, current and corresponding power waveforms. A great example is this simple wireless ac current detector from new pew. Rgb led light wall washer circuit diagram. None contact ac voltage tester/detector circuit ; Celling fan coils winding directly by hand by amkp40 technology (youtube) thank for visiting in this blog, this circuit diagram personal of.

The proposed circuit is actually a very.

A great example is this simple wireless ac current detector from new pew. Current is detected by passing a line of the pickup could be made from rings of iron or other type of processor core that allows enough space to pass one of the ac lines through the center. Ac power outlet voltage detector, voltage, voltage detector, voltage tester, how to make, brilliant idea, wow, voltage detector circuit how it works, voltage detector pen how to make a ac line wireless detector at home, how to make, ac line detector, non contact voltage detector circuit diagram. Not only an ac detector, it will react to any interference. If you have any queries then you should. Speaking about ac or alternating currents, it is far more dangerous than dc. Servo motor controller circuit using 555 ic. The proposed circuit is actually a very. The circuit will work when it reaches the side of any electricity passing device or wire. If ac voltage is not present, the display would randomlys show any digit (0 through9) permanently. Non contact ac voltage detector circuit. Smoke detectors are very useful devices to detect fire and are also available commercially. Block diagram explanation of wireless power transmission mobile charger circuit using inductive coupling the transmitter coil in this wireless power transmitter section converts the dc power from an oscillator to a high frequency ac power signal.

Related : Wireless Ac Power Detector Circuit Diagram : In this video, we are going to show you making a wireless ac detector circuit at home easily..